Вмс 1 термостат подключение

Термостат механический ballu вмт-1 схема подключения. Схема подключения водяного тепловентилятора. Вмс 1 термостат подключение. Терморегулятор ballu bmt-2 схема подключения. Схема подключения нескольких водяных тепловентиляторов.
Термостат механический ballu вмт-1 схема подключения. Схема подключения водяного тепловентилятора. Вмс 1 термостат подключение. Терморегулятор ballu bmt-2 схема подключения. Схема подключения нескольких водяных тепловентиляторов.
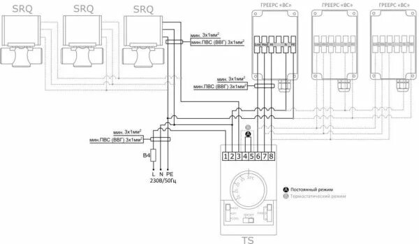
Схема подключения термостата tdm electric. Греерс тепловентилятор схема подключения. Схема подключения терморегулятора к обогревателю. Схема подключения греерс вс1110. Термостат для инфракрасного обогревателя ballu bdt-2 схема подключения.
Схема подключения термостата tdm electric. Греерс тепловентилятор схема подключения. Схема подключения терморегулятора к обогревателю. Схема подключения греерс вс1110. Термостат для инфракрасного обогревателя ballu bdt-2 схема подключения.
Терморегулятор ballu bmc 1 схема подключения. Терморегулятор ballu bmt-1 схема подключения. Вмс 1 термостат подключение. Volcano тепловентилятор схема подключения тепловентилятора. Вмс 1 термостат подключение.
Терморегулятор ballu bmc 1 схема подключения. Терморегулятор ballu bmt-1 схема подключения. Вмс 1 термостат подключение. Volcano тепловентилятор схема подключения тепловентилятора. Вмс 1 термостат подключение.
Терморегулятор zl-6210a. Схема подключения 3х контактного терморегулятора. Схема подключения электрического обогревателя. Настенный регулятор ступенчатый, 3 скорости, для wing/volcano (1-4-0101-0438). Вмс 1 термостат подключение.
Терморегулятор zl-6210a. Схема подключения 3х контактного терморегулятора. Схема подключения электрического обогревателя. Настенный регулятор ступенчатый, 3 скорости, для wing/volcano (1-4-0101-0438). Вмс 1 термостат подключение.
Вмс 1 термостат подключение. Вмс 1 термостат подключение. Термостат для воды тс-2 схема подключения. Вмс 1 термостат подключение. Вмс 1 термостат подключение.
Вмс 1 термостат подключение. Вмс 1 термостат подключение. Термостат для воды тс-2 схема подключения. Вмс 1 термостат подключение. Вмс 1 термостат подключение.
Схема подключения термопота вмт-2. Регулятор настенный для завес wing. Термостат механический ballu bmt-2 схема подключения. Термостат ballu bdt-2 схема подключения. Схема подключения термостата ballu bmt-2 к инфракрасному обогревателю.
Схема подключения термопота вмт-2. Регулятор настенный для завес wing. Термостат механический ballu bmt-2 схема подключения. Термостат ballu bdt-2 схема подключения. Схема подключения термостата ballu bmt-2 к инфракрасному обогревателю.
Термостат bmt-1 схема подключения. Электрическая схема подключения калорифера. Вмс 1 термостат подключение. Схема подключения механического терморегулятора. Тепловентилятор волкано схема подключения.
Термостат bmt-1 схема подключения. Электрическая схема подключения калорифера. Вмс 1 термостат подключение. Схема подключения механического терморегулятора. Тепловентилятор волкано схема подключения.
Схема подключения терморегулятора к обогревателю через пускатель. Схема подключения термостата. Пульт управления comfort sonniger. Термостат механический ballu вмт-1 схема подключения. Vts euroheat 1-4-0101-0438.
Схема подключения терморегулятора к обогревателю через пускатель. Схема подключения термостата. Пульт управления comfort sonniger. Термостат механический ballu вмт-1 схема подключения. Vts euroheat 1-4-0101-0438.
Схема подключения термостата к тепловой завесе. Вмс 1 термостат подключение. Вмс 1 термостат подключение. Термостат ballu bdt-2 схема подключения. Схема подключения тепловентиляторов.
Схема подключения термостата к тепловой завесе. Вмс 1 термостат подключение. Вмс 1 термостат подключение. Термостат ballu bdt-2 схема подключения. Схема подключения тепловентиляторов.
Схема подключения терморегулятор ballu bmt-2 белый. Настенный регулятор wing/volcano термостат (1-4-0101-0438). Термостат вмс 1 баллу схема подключения. Вмт-1 термостат схема подключения. Схема подключения механического термостата.
Схема подключения терморегулятор ballu bmt-2 белый. Настенный регулятор wing/volcano термостат (1-4-0101-0438). Термостат вмс 1 баллу схема подключения. Вмт-1 термостат схема подключения. Схема подключения механического термостата.
Схема подключения термостата к тепловой завесе. Схема подключения терморегулятора тм001м. Схема подключения термостата баллу-1. Схема подключения тэнов на 220в через терморегулятор. Вмс 1 термостат подключение.
Схема подключения термостата к тепловой завесе. Схема подключения терморегулятора тм001м. Схема подключения термостата баллу-1. Схема подключения тэнов на 220в через терморегулятор. Вмс 1 термостат подключение.
Схема подключения терморегулятора к ик обогревателю. Тепловентилятор водяной схема подключения. Термостат вмт 2 схема подключения. Термостат баллу схема подключения. Схема подключения термостата тепловой завесы баллу.
Схема подключения терморегулятора к ик обогревателю. Тепловентилятор водяной схема подключения. Термостат вмт 2 схема подключения. Термостат баллу схема подключения. Схема подключения термостата тепловой завесы баллу.
Термостат вмт-2 ballu. Схема подключения ик обогревателя через терморегулятор. Вмс 1 термостат подключение. Термостат балу bmt-1 схема подключения. Настенный регулятор wing volcano 1-4-0101-0438.
Термостат вмт-2 ballu. Схема подключения ик обогревателя через терморегулятор. Вмс 1 термостат подключение. Термостат балу bmt-1 схема подключения. Настенный регулятор wing volcano 1-4-0101-0438.
Схема подключения терморегулятора ballu-2. Термостат механический ballu bmt-1 (bmt-1) схема подключения. Пульт управления для тепловентилятора comfort waa0054 sonniger. Терморегулятор биметаллический схема подключения. Вмс 1 термостат подключение.
Схема подключения терморегулятора ballu-2. Термостат механический ballu bmt-1 (bmt-1) схема подключения. Пульт управления для тепловентилятора comfort waa0054 sonniger. Терморегулятор биметаллический схема подключения. Вмс 1 термостат подключение.
Настенный регулятор ballu bmc 1. Настенный регулятор wing/volcano (регулятор dx). Термостат механический ballu bmt-1 (bmt-1) схема подключения. Терморегулятор балу вмт-2. Термостат механический ballu bmt-1 (bmt-1) схема подключения.
Настенный регулятор ballu bmc 1. Настенный регулятор wing/volcano (регулятор dx). Термостат механический ballu bmt-1 (bmt-1) схема подключения. Терморегулятор балу вмт-2. Термостат механический ballu bmt-1 (bmt-1) схема подключения.
Термостат к59 схема подключения. Ballu терморегулятор вмт- 1. Ballu термостат вмт-1. Схема подключения терморегулятора 1210 w. Вмс 1 термостат подключение.
Термостат к59 схема подключения. Ballu терморегулятор вмт- 1. Ballu термостат вмт-1. Схема подключения терморегулятора 1210 w. Вмс 1 термостат подключение.
Вмс 1 термостат подключение. Канальный нагреватель воздуха 15 квт схема подключения. Настенный регулятор wing/volcano термостат (1-4-0101-0438). Вмс 1 термостат подключение. Вмс 1 термостат подключение.
Вмс 1 термостат подключение. Канальный нагреватель воздуха 15 квт схема подключения. Настенный регулятор wing/volcano термостат (1-4-0101-0438). Вмс 1 термостат подключение. Вмс 1 термостат подключение.
Термостат для инфракрасного обогревателя схема подключения. Схема подключения терморегулятора к тепловой завесе. Схема подключения потолочных обогревателей через термостат. Термостат баллу вмт-2 схема подключения. Схема подключения терморегулятора к ик обогревателю.
Термостат для инфракрасного обогревателя схема подключения. Схема подключения терморегулятора к тепловой завесе. Схема подключения потолочных обогревателей через термостат. Термостат баллу вмт-2 схема подключения. Схема подключения терморегулятора к ик обогревателю.
Вмс 1 термостат подключение. Вмс 1 термостат подключение. Вмс 1 термостат подключение. Вмс 1 термостат подключение. Схема подключения терморегулятора ballu-2.
Вмс 1 термостат подключение. Вмс 1 термостат подключение. Вмс 1 термостат подключение. Вмс 1 термостат подключение. Схема подключения терморегулятора ballu-2.
Терморегулятор ballu bmt-1 схема подключения. Термостат вмт-2 ballu. Настенный регулятор wing/volcano термостат (1-4-0101-0438). Вмс 1 термостат подключение. Вмс 1 термостат подключение.
Терморегулятор ballu bmt-1 схема подключения. Термостат вмт-2 ballu. Настенный регулятор wing/volcano термостат (1-4-0101-0438). Вмс 1 термостат подключение. Вмс 1 термостат подключение.