Схема подключения через трансформаторы тока

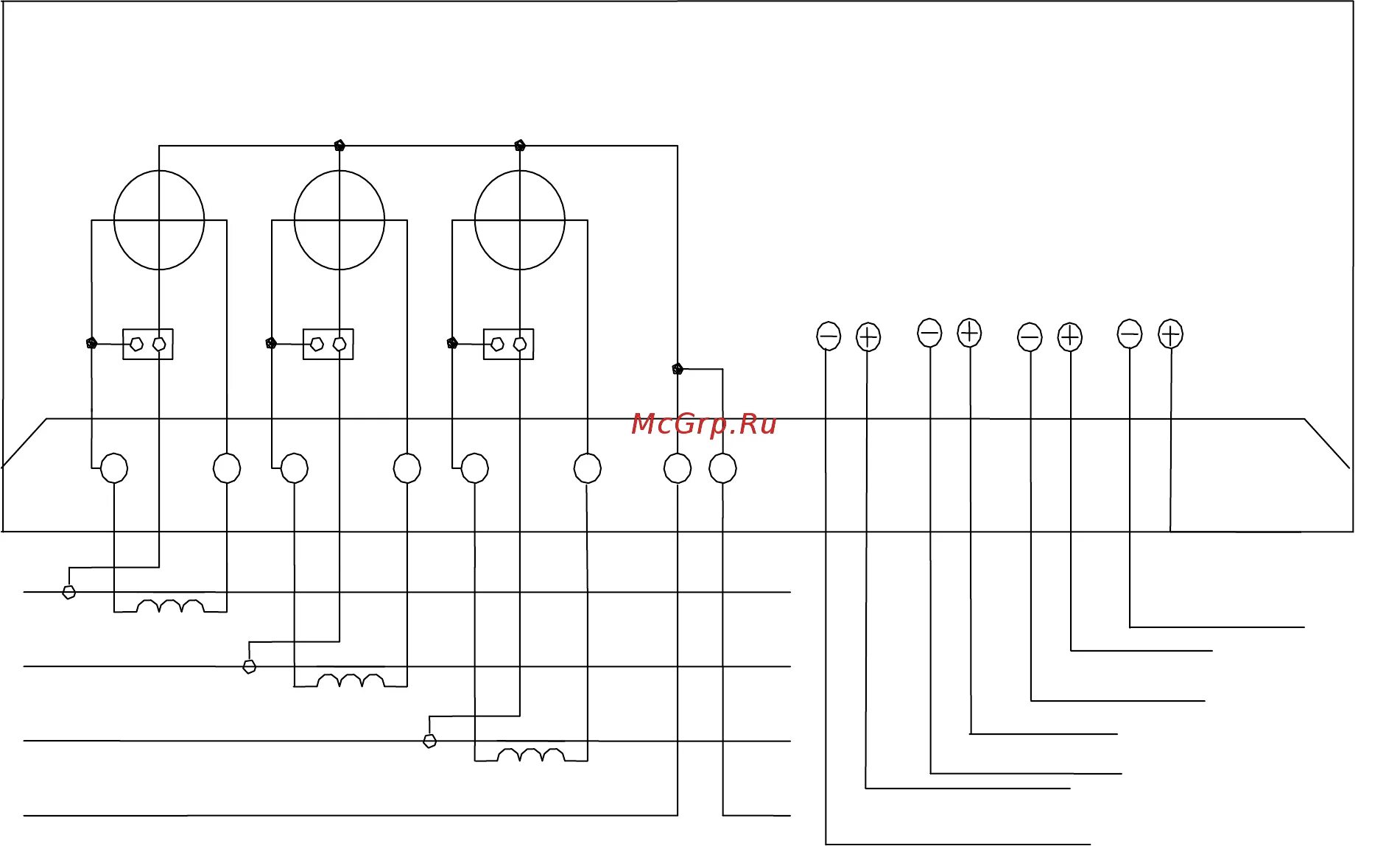
Схема подключения электросчетчика с двумя трансформаторами тока. Схема подключения трехфазного счетчика с 2 трансформаторами тока. Схема подключения через трансформаторы тока. Подключение счётчика через трансформаторы тока 380 схема. Схема подключения через трансформаторы тока.
Схема подключения электросчетчика с двумя трансформаторами тока. Схема подключения трехфазного счетчика с 2 трансформаторами тока. Схема подключения через трансформаторы тока. Подключение счётчика через трансформаторы тока 380 схема. Схема подключения через трансформаторы тока.
Схема подключения трансформаторов тока к трехфазному счетчику. Схема включения счетчика через трансформаторы тока и напряжения. Схема подключения счётчика через трансформатор напряжения. Схема подключения трехфазного счетчика через 2 трансформатора тока. Схема подключения трансформаторов тока к трехфазному счетчику.
Схема подключения трансформаторов тока к трехфазному счетчику. Схема включения счетчика через трансформаторы тока и напряжения. Схема подключения счётчика через трансформатор напряжения. Схема подключения трехфазного счетчика через 2 трансформатора тока. Схема подключения трансформаторов тока к трехфазному счетчику.
Схема подключения через трансформаторы тока. Схема подключения трансформаторов тока к трехфазному счетчику. Схема подключения однофазного счетчика с трансформатором тока. Схема включения 3 фазного счетчика через трансформаторы тока. Схема подключения трёхфазного счётчика меркурий 230 прямого включения.
Схема подключения через трансформаторы тока. Схема подключения трансформаторов тока к трехфазному счетчику. Схема подключения однофазного счетчика с трансформатором тока. Схема включения 3 фазного счетчика через трансформаторы тока. Схема подключения трёхфазного счётчика меркурий 230 прямого включения.
Схема подключения счетчика через трансформаторы тока. Схема подключения трехфазного счетчика через 2 трансформатора тока. Подключение счётчика через трансформаторы тока 380 схема. Схема включения счетчика электроэнергии меркурий 230. Схема подключения через трансформаторы тока.
Схема подключения счетчика через трансформаторы тока. Схема подключения трехфазного счетчика через 2 трансформатора тока. Подключение счётчика через трансформаторы тока 380 схема. Схема включения счетчика электроэнергии меркурий 230. Схема подключения через трансформаторы тока.
Схема подключения 3 фазного счетчика с трансформаторами тока. Схема подключения трансформаторов тока к трехфазному счетчику. Схема подключения через трансформаторы тока. Схема подключения трехфазного счетчика через трансформаторы тока. Схема подключения через трансформаторы тока.
Схема подключения 3 фазного счетчика с трансформаторами тока. Схема подключения трансформаторов тока к трехфазному счетчику. Схема подключения через трансформаторы тока. Схема подключения трехфазного счетчика через трансформаторы тока. Схема подключения через трансформаторы тока.
Схема подключения 3х фазного счетчика прямого включения. Схема подключения счетчика через трансформаторы тока 0. Схема подключения через трансформаторы тока. Схема подключения эл счетчика через трансформаторы тока. Схема подключения 3 фазного счетчика через трансформаторы тока.
Схема подключения 3х фазного счетчика прямого включения. Схема подключения счетчика через трансформаторы тока 0. Схема подключения через трансформаторы тока. Схема подключения эл счетчика через трансформаторы тока. Схема подключения 3 фазного счетчика через трансформаторы тока.
Схема подключения 3х фазного счетчика через трансформаторы тока. Схема соединения трехфазного счетчика через трансформаторы тока. Схема подключения трехфазного счетчика через трансформаторы тока. Схема подключения трансформаторов тока к трехфазному счетчику. Схема подключения через трансформаторы тока.
Схема подключения 3х фазного счетчика через трансформаторы тока. Схема соединения трехфазного счетчика через трансформаторы тока. Схема подключения трехфазного счетчика через трансформаторы тока. Схема подключения трансформаторов тока к трехфазному счетчику. Схема подключения через трансформаторы тока.
Схема подсоединения трехфазного счетчика с трансформатором тока. Схема подключения через трансформаторы тока. Схема подключения 3 фазного счетчика через трансформаторы тока. Схема подключения через трансформаторы тока. Схема включения трехфазного счетчика с трансформаторами тока.
Схема подсоединения трехфазного счетчика с трансформатором тока. Схема подключения через трансформаторы тока. Схема подключения 3 фазного счетчика через трансформаторы тока. Схема подключения через трансформаторы тока. Схема включения трехфазного счетчика с трансформаторами тока.
Схема подключения через трансформаторы тока. Схемаподключениетоковыхтрансформаторовксчетсчику. Схема подключения через трансформаторы тока. Схема подключения счётчика электроэнергии трехфазного. Схема подключения через трансформаторы тока.
Схема подключения через трансформаторы тока. Схемаподключениетоковыхтрансформаторовксчетсчику. Схема подключения через трансформаторы тока. Схема подключения счётчика электроэнергии трехфазного. Схема подключения через трансформаторы тока.
Схема соединения трехфазного счетчика через трансформаторы тока. Схема подключения однофазного счетчика с трансформатором тока. Схема подключения через трансформаторы тока. Схема подключения 3х фазного счетчика с трансформаторами тока. Схема подключения однофазного счетчика с трансформатором тока.
Схема соединения трехфазного счетчика через трансформаторы тока. Схема подключения однофазного счетчика с трансформатором тока. Схема подключения через трансформаторы тока. Схема подключения 3х фазного счетчика с трансформаторами тока. Схема подключения однофазного счетчика с трансформатором тока.
Схема подключения счетчика с 3 трансформаторами тока. Схема подключения счётчика с трансформаторами тока. Схема подключения трехфазного счетчика через трансформаторы. Схема соединения счетчика через трансформаторы тока. Счётчик 3 фазы подключение через трансформаторы схема.
Схема подключения счетчика с 3 трансформаторами тока. Схема подключения счётчика с трансформаторами тока. Схема подключения трехфазного счетчика через трансформаторы. Схема соединения счетчика через трансформаторы тока. Счётчик 3 фазы подключение через трансформаторы схема.
Схема подключения через трансформаторы тока. Схема подключения трехфазного счетчика непрямого включения. 4кв. Схемаподключениетоковыхтрансформаторовксчетсчику. Схема подключения 3-ф счетчика через трансформаторы тока.
Схема подключения через трансформаторы тока. Схема подключения трехфазного счетчика непрямого включения. 4кв. Схемаподключениетоковыхтрансформаторовксчетсчику. Схема подключения 3-ф счетчика через трансформаторы тока.
Схема включения 3х фазного счетчика через трансформаторы тока. Схема включения 3фазного счётчика с трансформаторами тока. Схема подключения через трансформаторы тока. Схема подключения трехфазного счетчика через трансформаторы тока. Подключение счётчика через трансформаторы тока 380 схема.
Схема включения 3х фазного счетчика через трансформаторы тока. Схема включения 3фазного счётчика с трансформаторами тока. Схема подключения через трансформаторы тока. Схема подключения трехфазного счетчика через трансформаторы тока. Подключение счётчика через трансформаторы тока 380 схема.
Схема подключения через трансформаторы тока. Схема подключения через трансформаторы тока. Трансформатор тока для счетчика трехфазного меркурий 230. Схема подключения счётчика через трансформатор напряжения. Схема включения трехфазного счетчика с трансформаторами тока.
Схема подключения через трансформаторы тока. Схема подключения через трансформаторы тока. Трансформатор тока для счетчика трехфазного меркурий 230. Схема подключения счётчика через трансформатор напряжения. Схема включения трехфазного счетчика с трансформаторами тока.
Схема подключения трансформаторов тока к трехфазному счетчику. Схема соединения трехфазного счетчика через трансформаторы тока. Схема подключения электрического счëтчика через трансформаторы тока. Схема подключения однофазного счетчика с трансформатором тока. Схема подключения счетчика через испытательную коробку.
Схема подключения трансформаторов тока к трехфазному счетчику. Схема соединения трехфазного счетчика через трансформаторы тока. Схема подключения электрического счëтчика через трансформаторы тока. Схема подключения однофазного счетчика с трансформатором тока. Схема подключения счетчика через испытательную коробку.
Схема подключения трансформаторов тока к трехфазному счетчику. Схема подключения через трансформаторы тока. Схема подключения эл счётчика с трансформаторами тока. Схема подключения трехфазного счетчика через трансформаторы тока. Подключение счётчика через трансформаторы тока 380 схема подключения.
Схема подключения трансформаторов тока к трехфазному счетчику. Схема подключения через трансформаторы тока. Схема подключения эл счётчика с трансформаторами тока. Схема подключения трехфазного счетчика через трансформаторы тока. Подключение счётчика через трансформаторы тока 380 схема подключения.
Схема подключения эл счётчика с трансформаторами тока. Счётчик 3 фазы подключение через трансформаторы схема. Схема подключения электрического счëтчика через трансформаторы тока. Схема подключения трехфазного прибора учета с трансформаторами тока. Схема подключения трансформаторов тока к трехфазному счетчику.
Схема подключения эл счётчика с трансформаторами тока. Счётчик 3 фазы подключение через трансформаторы схема. Схема подключения электрического счëтчика через трансформаторы тока. Схема подключения трехфазного прибора учета с трансформаторами тока. Схема подключения трансформаторов тока к трехфазному счетчику.
Схема подключения трехфазного счетчика через трансформаторы тока. Схема подключения через трансформаторы тока. Схема соединения счетчика через трансформаторы тока. Схема подключения эл счётчика с трансформаторами тока. Схема подключения счётчика электроэнергии через трансформаторы.
Схема подключения трехфазного счетчика через трансформаторы тока. Схема подключения через трансформаторы тока. Схема соединения счетчика через трансформаторы тока. Схема подключения эл счётчика с трансформаторами тока. Схема подключения счётчика электроэнергии через трансформаторы.
Схема подключения однофазного счетчика через трансформатор тока. Схема подключения трехфазного счетчика через 2 трансформатора тока. Схема включения 3х фазного счетчика через трансформаторы тока. Схема подключения трехфазного эл счетчика с трансформаторами тока. Схема включения трехфазного счетчика меркурий 230.
Схема подключения однофазного счетчика через трансформатор тока. Схема подключения трехфазного счетчика через 2 трансформатора тока. Схема включения 3х фазного счетчика через трансформаторы тока. Схема подключения трехфазного эл счетчика с трансформаторами тока. Схема включения трехфазного счетчика меркурий 230.
Схема подключения электрического счëтчика через трансформаторы тока. Схема подключения счетчика прямого включения меркурий 230. Схема подключения 3 фазного счетчика через трансформаторы тока. Схема подключения трансформаторов тока к трехфазному счетчику. Схемаподключениетоковыхтрансформаторовксчетсчику.
Схема подключения электрического счëтчика через трансформаторы тока. Схема подключения счетчика прямого включения меркурий 230. Схема подключения 3 фазного счетчика через трансформаторы тока. Схема подключения трансформаторов тока к трехфазному счетчику. Схемаподключениетоковыхтрансформаторовксчетсчику.