Меркурий 230 схема трансформаторов

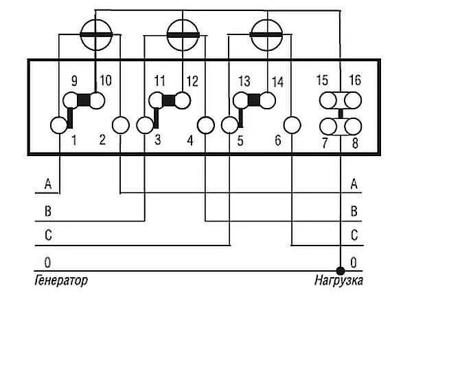
Схема подключения электрического счётчика меркурий 230. Схема подключения счетчика прямого включения меркурий 230. Схема подключения эл счетчика меркурий 230 через трансформаторы тока. Схема подключения 3 фазного счетчика с трансформаторами тока. Схема включения трехфазного счетчика меркурий 230.
Схема подключения электрического счётчика меркурий 230. Схема подключения счетчика прямого включения меркурий 230. Схема подключения эл счетчика меркурий 230 через трансформаторы тока. Схема подключения 3 фазного счетчика с трансформаторами тока. Схема включения трехфазного счетчика меркурий 230.
Схема подключения счетчика меркурий 230 с трансформаторами тока. Схема трансформаторного включения трехфазного счетчика меркурий 230. Схема подключения счётчика меркурий 234 через трансформаторы тока. Схема включения счетчика электроэнергии меркурий 230. Полукосвенное подключение трехфазного счетчика схема подключения.
Схема подключения счетчика меркурий 230 с трансформаторами тока. Схема трансформаторного включения трехфазного счетчика меркурий 230. Схема подключения счётчика меркурий 234 через трансформаторы тока. Схема включения счетчика электроэнергии меркурий 230. Полукосвенное подключение трехфазного счетчика схема подключения.
Схема включения трехфазного счетчика меркурий 230. Схема счётчика меркурий 230. Схема включения счетчика меркурий 230 через трансформаторы тока. Схема включения трехфазного счетчика меркурий 230. Схема подключения трехфазного счетчика.
Схема включения трехфазного счетчика меркурий 230. Схема счётчика меркурий 230. Схема включения счетчика меркурий 230 через трансформаторы тока. Схема включения трехфазного счетчика меркурий 230. Схема подключения трехфазного счетчика.
Схема подключения счётчика меркурий 230 через трансформаторы тока. Меркурий 230 схема трансформаторов. Схема включения трехфазного счетчика меркурий 230. Схема включения трехфазного счетчика меркурий 230. Меркурий 230 схема трансформаторов.
Схема подключения счётчика меркурий 230 через трансформаторы тока. Меркурий 230 схема трансформаторов. Схема включения трехфазного счетчика меркурий 230. Схема включения трехфазного счетчика меркурий 230. Меркурий 230 схема трансформаторов.
Меркурий 230 с трансформаторами тока. Схема подключения счетчика меркурий 230 через испытательную коробку. Схема подключения трёхфазного счётчика меркурий 230. Меркурий 230 схема трансформаторов. Меркурий 230 схема трансформаторов.
Меркурий 230 с трансформаторами тока. Схема подключения счетчика меркурий 230 через испытательную коробку. Схема подключения трёхфазного счётчика меркурий 230. Меркурий 230 схема трансформаторов. Меркурий 230 схема трансформаторов.
Схема включения трехфазного счетчика меркурий 230. Схема трансформаторного включения трехфазного счетчика меркурий 230. Схема включения трехфазного счетчика меркурий 230. Схема подключения счетчика меркурий 230 с трансформаторами тока. Меркурий 230 схема трансформаторов.
Схема включения трехфазного счетчика меркурий 230. Схема трансформаторного включения трехфазного счетчика меркурий 230. Схема включения трехфазного счетчика меркурий 230. Схема подключения счетчика меркурий 230 с трансформаторами тока. Меркурий 230 схема трансформаторов.
Меркурий 230 схема трансформаторов. Схема включения счетчика электроэнергии меркурий 230. Меркурий 230 схема трансформаторов. Схема включения трехфазного счетчика меркурий 230. Схема включения трехфазного счетчика меркурий 230.
Меркурий 230 схема трансформаторов. Схема включения счетчика электроэнергии меркурий 230. Меркурий 230 схема трансформаторов. Схема включения трехфазного счетчика меркурий 230. Схема включения трехфазного счетчика меркурий 230.
Схема подключения счетчика меркурий 230 через трансформаторы. Схема включения счетчика меркурий 230 через трансформаторы напряжения. Схема включения счетчика меркурий 230 через трансформаторы тока. Меркурий 230 схема трансформаторов. Схема включения счетчика меркурий 230 через трансформаторы тока.
Схема подключения счетчика меркурий 230 через трансформаторы. Схема включения счетчика меркурий 230 через трансформаторы напряжения. Схема включения счетчика меркурий 230 через трансформаторы тока. Меркурий 230 схема трансформаторов. Схема включения счетчика меркурий 230 через трансформаторы тока.
Схема соединения 3х фазного счетчика с трансформаторами тока. Схема подключения счётчика меркурий 230 через трансформаторы тока. Схема включения счетчика меркурий 230 через трансформаторы тока. Схема подключения счетчика меркурий 230 с трансформаторами тока. Счетчик меркурий 230 схема подключения к трансформатору.
Схема соединения 3х фазного счетчика с трансформаторами тока. Схема подключения счётчика меркурий 230 через трансформаторы тока. Схема включения счетчика меркурий 230 через трансформаторы тока. Схема подключения счетчика меркурий 230 с трансформаторами тока. Счетчик меркурий 230 схема подключения к трансформатору.
Схема включения счетчика электроэнергии меркурий 230. Схема расключения счетчика меркурий 230 через трансформаторы. Схема подключения счётчика меркурий 230 через трансформаторы тока. Схема подключения трёхфазного счётчика меркурий 230 прямого включения. Схема подключения трансформаторного счетчика меркурий 230.
Схема включения счетчика электроэнергии меркурий 230. Схема расключения счетчика меркурий 230 через трансформаторы. Схема подключения счётчика меркурий 230 через трансформаторы тока. Схема подключения трёхфазного счётчика меркурий 230 прямого включения. Схема подключения трансформаторного счетчика меркурий 230.
Схема подключения меркурий 230 с трансформаторами тока. Меркурий 230 схема трансформаторов. Меркурий 230 схема трансформаторов. Схема включения счетчика электроэнергии меркурий 230. Схема включения счетчика меркурий 230 через трансформаторы тока.
Схема подключения меркурий 230 с трансформаторами тока. Меркурий 230 схема трансформаторов. Меркурий 230 схема трансформаторов. Схема включения счетчика электроэнергии меркурий 230. Схема включения счетчика меркурий 230 через трансформаторы тока.
Схема включения трехфазного счетчика меркурий 230. Меркурий 230 схема трансформаторов. Подключить меркурий 230 через трансформаторы тока схема. Меркурий 230 схема трансформаторов. Схема включения трехфазного счетчика меркурий 230.
Схема включения трехфазного счетчика меркурий 230. Меркурий 230 схема трансформаторов. Подключить меркурий 230 через трансформаторы тока схема. Меркурий 230 схема трансформаторов. Схема включения трехфазного счетчика меркурий 230.
Меркурий 230 схема трансформаторов. Схема включения счетчика электроэнергии меркурий 230. Меркурий 230 схема трансформаторов. Схема подключения меркурий 234 через трансформаторы тока. Схема подключения счётчика меркурий 230 через трансформаторы тока.
Меркурий 230 схема трансформаторов. Схема включения счетчика электроэнергии меркурий 230. Меркурий 230 схема трансформаторов. Схема подключения меркурий 234 через трансформаторы тока. Схема подключения счётчика меркурий 230 через трансформаторы тока.
Схема включения счётчика меркурий через трансформаторы тока. Меркурий 230 схема трансформаторов. Схема подключения счетчика меркурий 230. Схема включения трехфазного счетчика меркурий 230. Схема подключения счетчика меркурий 230 с трансформаторами тока.
Схема включения счётчика меркурий через трансформаторы тока. Меркурий 230 схема трансформаторов. Схема подключения счетчика меркурий 230. Схема включения трехфазного счетчика меркурий 230. Схема подключения счетчика меркурий 230 с трансформаторами тока.
Схема подключения 3х фазного счетчика через трансформаторы тока. Схема подключения трёхфазного счётчика меркурий 230. Схема подключения счетчика меркурий через трансформаторы тока. Меркурий 230 схема трансформаторов. Схема подключения счётчика меркурий 230 через трансформаторы тока.
Схема подключения 3х фазного счетчика через трансформаторы тока. Схема подключения трёхфазного счётчика меркурий 230. Схема подключения счетчика меркурий через трансформаторы тока. Меркурий 230 схема трансформаторов. Схема подключения счётчика меркурий 230 через трансформаторы тока.
Схема включения счетчика электроэнергии меркурий 230. Меркурий 230 схема трансформаторов. Схема подключения трансформаторов тока к трехфазному счетчику. Меркурий 230 схема трансформаторов. Схема включения счетчика электроэнергии меркурий 230.
Схема включения счетчика электроэнергии меркурий 230. Меркурий 230 схема трансформаторов. Схема подключения трансформаторов тока к трехфазному счетчику. Меркурий 230 схема трансформаторов. Схема включения счетчика электроэнергии меркурий 230.
Схема подключения счетчика меркурий 230 с трансформаторами тока. Схема подключения счётчика меркурий 230 через трансформаторы тока. Схема подключения счётчика электроэнергии меркурий 230. Меркурий 230 схема трансформаторов. Схема включения трехфазного счетчика меркурий 230.
Схема подключения счетчика меркурий 230 с трансформаторами тока. Схема подключения счётчика меркурий 230 через трансформаторы тока. Схема подключения счётчика электроэнергии меркурий 230. Меркурий 230 схема трансформаторов. Схема включения трехфазного счетчика меркурий 230.
Меркурий 230 схема трансформаторов. Схема подключения счетчика меркурий 230. Схема включения трехфазного счетчика меркурий 230. Схема подключения счетчика меркурий 230 через трансформаторы. Схема соединения счетчика меркурий 230 с трансформаторами тока.
Меркурий 230 схема трансформаторов. Схема подключения счетчика меркурий 230. Схема включения трехфазного счетчика меркурий 230. Схема подключения счетчика меркурий 230 через трансформаторы. Схема соединения счетчика меркурий 230 с трансформаторами тока.
Счетчик меркурий 230 трансформаторного включения. Счетчик меркурий 230 через трансформаторы тока. Меркурий 230 схема трансформаторов. Меркурий 230 схема трансформаторов. Схема счётчика меркурий 230.
Счетчик меркурий 230 трансформаторного включения. Счетчик меркурий 230 через трансформаторы тока. Меркурий 230 схема трансформаторов. Меркурий 230 схема трансформаторов. Схема счётчика меркурий 230.
Схема включения счетчика меркурий 230 через трансформаторы напряжения. Схема подключения счетчика меркурий 230 с трансформаторами тока. Меркурий 230 схема трансформаторов. Меркурий 230 схема трансформаторов. Схема подключения трансформаторов тока к трехфазному счетчику.
Схема включения счетчика меркурий 230 через трансформаторы напряжения. Схема подключения счетчика меркурий 230 с трансформаторами тока. Меркурий 230 схема трансформаторов. Меркурий 230 схема трансформаторов. Схема подключения трансформаторов тока к трехфазному счетчику.